泊頭市草莓视频深夜泵業有限公司

草莓视频污污污下载找草莓视频深夜泵業谘詢電話:13931762407
熱門點擊:
   
公司動態 news
  KCB草莓视频污污污下载結構特點
KCB草莓视频污污污下载有齒輪,軸,泵體,安全閥,軸端密封(特殊要求,可選用磁力驅動,零泄漏結構)等組成.齒輪經熱處理有較高的硬度和強度,與軸一同安裝在可更換的軸套內運轉.泵內全部零件的潤滑均在泵.....
油泵產品列表  
草莓视频污污污下载
草莓视频下载污污污
草莓视频污版在线观看
保溫瀝青泵
單螺杆泵
雙螺杆泵
三螺杆泵
自吸式離心泵
渣漿泵
高粘度泵
化工泵
船用泵
磁力泵
渣油泵係列
 
 
產品中心 當前位置 > 草莓视频深夜泵業 > 產品展示 > 高粘度泵 >
 
  • NYP高粘度泵-樹脂泵
  • -詳細參數

由於NYP高粘度泵(樹脂泵)在實際使用過程中原則上不受介質的物理和化學性能的限製,所以在實際使用過程中轉子泵已在各行各業中得到廣泛的應用和推廣;目前主要在日化、食品飲料、果汁、化工、調味品、糖果等行業中廣泛應用。
NYP高粘度泵-樹脂泵為容積式泵,低轉速、高輸出扭矩、耐高溫的特點使轉子泵在輸出高黏度、高溫度的物料的領域中得以大顯身手。其獨特的工作原理配合強勁的驅動係統,保障轉子泵可以在低轉速下輸出強有力的驅動力矩,可以連續地、無滯止地輸送物料,並且保障物料在輸送過程中的物料性能不被破壞,這種泵可以輸送的介質的黏度可高達1000000CP。
稀薄介質輸送:
轉子泵在輸送特別稀薄的介質時,特別是在要求無脈動地輸出稀薄介質時,也顯示出比較大的優勢。轉子泵配備的驅動係統在被輸送的介質黏度下降,內泄露量增大的情況下,可以以更高的轉速運轉,並保障輸出流量的恒定。
衛生級輸送:
所有與物料接觸的零件均為符合衛生條件的不鏽鋼材料製作,能夠滿足所有的食品、飲料、醫藥、化工、日化等行業的衛生和耐腐蝕場合需要。
保溫結構輸送:
草莓视频深夜可以提供配備攜帶保溫夾套功能的轉子泵,這種結構能夠保障被輸送的物料在被輸送過程中保持一個恒定的溫度。特別是可以保障一些在低溫狀態下易凝固的物料在被輸送過程中不產生凝結現象。
幾乎沒有易損件:
轉子泵在工作過程中不存在任何的零件磨損(除機械密封外),所有與物料接觸的零件均為不鏽鋼材料,主要的核心工作零件--轉子,其在工作中是同步運轉的,相互間永遠會保持著一定的間隙,不會產生任何的接觸,不會有理論上的任何磨損,轉子泵能夠在高達220度的溫度下的各種環境中工作。
水衝洗機械密封:
草莓视频深夜還提供具有水衝洗功能的機械密封結構,工作過程中時刻保持機械密封表麵的被潤滑、冷卻,並且具有帶走機械密封表麵雜質和改善機械密封工作環境的作用。

NYP不鏽鋼內環式高粘度泵結構圖
NYP不鏽鋼內環式高粘度泵結構圖
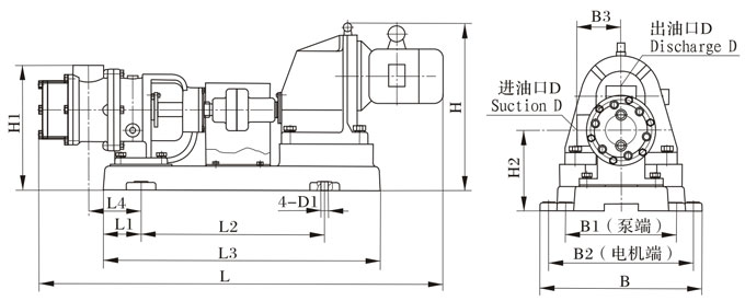
NYP不鏽鋼保溫泵配減速電機整機安裝尺寸圖
NYP不鏽鋼保溫泵配減速電機整機安裝尺寸圖
型號LL1L2L3L4HH1H2BB1B2B3DD1  Decelerator
型號功率KW轉速r/min
NYP7.010289138459011532725316327022522590G11/2"φ20YCJ713583
455
NYP52136167576790130480355225400308340130G2"φ22YCJ1127.5228
135167576790130533355225400308340130G2"φ22YCJ1007.5303
357
143667576790130533355225400308340130G2"φ22YCJ10011475
NYP1111500154558890227585495285525385475210φ80φ22YCJ11215305
417
479
NYP72724232009501259330825935615580520520320φ150φ28YCJ31537128

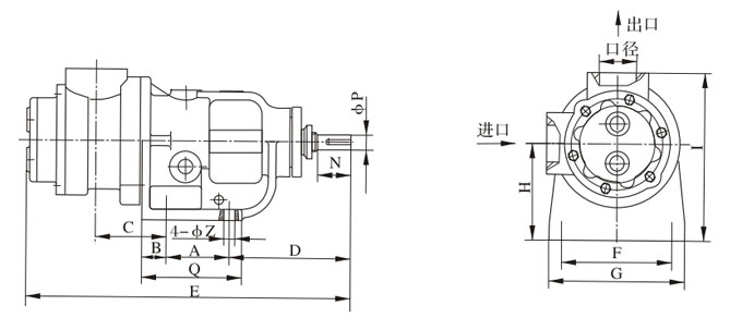
NYP7.0(A)泵頭外形尺寸

NYP7.0(A)泵頭外形尺寸
泵型號理論排量
L/100r
ABCDEFGHIQNPZ口徑
NYP7.0A
(原NYP3A)
7.05816991473751401728817890431913G11/2"


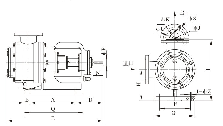
NYP24,NYP80,NYP111(A),NYP727泵頭外形尺寸

NYP24,NYP80,NYP111(A),NYP727泵頭外形尺寸


型號理論排量
L/100r  
ABCDEFGHIJKLNPQSZ
NYP242412030941965182002401603205012516557301804-φ1818
NYP808017027.5138.5183.55922202551803908016020075422258-φ1815
NYP111
(原NYP30A)
111170251421886162202551803908016020058402258-φ1815
NYP111
(原NYP30A)
1113403031986882202802204308016020075424208-φ1820
NYP32032034035120.5268849330400260520125210250120654108-φ1822
NYP727
(原NYP50A)
727410401702601060370450360680150240285120805308-φ1822



NYP高粘度泵性能參數表

型號通徑mm理論排量 L/100rev粘度 cSt轉速 r/min壓差(MPa)連接形式
0.40.60.81.0

軸功率 (kw)流量(L/min)

NYP0.78150.782013900.17/9.30.23/9.00.28/8.80.32/8.6G1/2"
6013900.18/9.50.24/9.20.28/9.00.33/8.9
20013900.31/10.40.35/10.20.39/10.00.43/9.9
60013900.39/10.40.44/10.30.48/10.30.52/10.2
20009100.23/6.80.27/6.80.30/6.80.33/6.7
60007200.24/5.40.31/6.10.30/6.80.40/6.8
NYP2.3252.32014000.38/28.40.49/27.5

G1"
6014000.59/29.20.65/28.8

20014000.61/30.00.72/29.6

60014000.92/31.90.96/31.7

20009100.61/19.90.68/19.7

60007200.77/16.320.83/16.2

NYP3.6403.62014500.69/46.70.94/45.91.18/451.44/43.4法蘭 Flange
6014500.81/47.51.09/46.71.37/45.91.57/44.7
20014501.06/49.71.31/49.21.56/48.81.79/47.3
60014501.45/49.91.61/49.61.77/49.31.93/49
20009601.28/34.31.41/33.81.54/33.71.65/33.6
60006401.08/23.01.18/22.91.28/22.91.37/22.8
200005831.22/20.51.24/20.41.25/20.41.38/20.3
600004550.84/16.30.91/16.20.98/16.11.01/16
NYP7.0 NYP7.0A (原型號: NYP3 NYP3A)407.02014501.36/98.11.8/962.0/94.72.4/93螺紋 Thread


6014501.45/991.9/972.2/96.42.6/95
20014501.62/99.82.0/982.3/97.52.7/97
6009601.4/621.6/651.8/442.0/64
20009601.8/672.0/662.3/652.6/65
60006401.5/44.51.7/441.8/442.0/44
200005831.6/40.51.9/402.1/402.2/40
600004551.46/31.51.8/311.9/312.0/31
NYP245024207201.8/1652.3/1612.8/1583.4/155 法蘭 Flange
607202.0/1662.6/1643.1/1623.7/158
2006101.9/1432.5/1413.0/1393.5/136
6005412.1/1272.6/1253.0/1243.5/122
20004752.2/1122.6/1112.9/1103.4/109
60003572.0/852.3/842.6/832.9/83
200003031.9/722.2/722.4/722.6/71
600002281.6/541.8/542.0/542.3/54
NYP52 NYP52A (原型號: NYP10 NYP10A)5052207204.3/3625.8/3556.9/3488.1/340 螺紋 Thread
607204.7/3646.2/3587.3/3527.5/346
2006104.6/3095.9/3046.9/3008.0/294
6005414.9/2756.0/2716.8/2687.8/264
20004755.0/2435.9/2386.6/2377.6/235
60003574.1/1844.9/1825.3/1816.2/180
200003033.8/1574.6/1565.1/1555.6/155
600002283.1/1193.7/1184.0/1184.5/118
 NYP80 8080206155.2/4716.9/4618.5/45110.0/433 法蘭 Flange
606155.5/4747.2/4658.8/45710.5/448
2005445.7/4217.2/4148.6/40810.1/401
6004796.0/3727.3/3678.5/3629.8/356
20004176.5/3267.7/3228.9/31910.1/315
60003055.6/2396.6/2377.5/3268.4/233
200002285.5/1806.4/1796.9/1787.7/177
600001885.5/1496.1/1496.7/1497.2/148
NYP111 NYP111A (原型號: NYP30 NYP30A) 80111.4206156.7/6609.2/64711.2/63413.6/622 法蘭 Flange
606156.9/6649.4/65211.5/64213.9/631
2005447.1/5899.3/58011.0/57313.2/563
6004797.3/5219.5/51411.1/50813.1/502
20004177.7/4559.7/45011.0/44712.7/442
60003056.9/3358.4/3329.4/33110.6/328
200002286.3/2517.5/2508.2/2499.2/248
600001886.2/2097.1/2087.6/2088.5/207
NYP160 100160206008.9/93012.1/91615.3/90217.5/888法蘭 Flange
606009.4/93512.6/92215.8/91019.0/898
20055012.3/86615.3/85918.3/85221.3/845
60048010.2/75412.8/74715.4/74018.0/737
20003559.1/56011.1/55613/55215.1/548
600031910.0/50511.7/50213.5/50015.2/497
NYP220125220204308.8/90211.9/88015.0/85818.0/836法蘭 Flange
604309.0/90912.0/89015.0/87118.0/852
2003558.5/75311.1/73913.7/72616.3/713
6003209.4/68211.8/67114.1/66016.5/649
20002549.1/54411.0/53713.0/53015.1/523
600024410.1/48311.9/47813.6/47315.4/468
200001609.1/34710.5/34511.9/34313.3/341
600001178.4/2569.4/25510.4/25411.4/253
NYP320 125 3202043013.0/130618.0/127022.0/123526.0/1200法蘭 Flange
6043013.0/131618.5/128522.0/125526.5/1225
20035511.8/109115.5/106819.1/104622.8/1024
60032013.2/98716.5/96819.7/95022.9/932
200028414.2/88117.4/86720.6/85423.8/841
600022213.7/69316.2/68418.7/67521.2/666
2000016813.2/52915.3/52517.3/52219.4/519
6000012512.0/39713.7/39615.3/39516.9/394
NYP650150 6502031519.0/192126.0/185733.0/1794
法蘭 Flange
6031520.0/194026.4/188633.2/1832
20028417.9/175624.0/171130.4/1666
60025317.6/157222.7/153428.9/1500
200019615.7/122520.6/120124.5/1176
600016016.0/100819.8/99322.3/978
2000011713.6/74516.5/73819.2/731
6000010015.0/64517.2/64319.5/640
NYP727 (原型號: NYP50)1507272031521.5/213529.4/205837.3/1980
法蘭 Flange
6031522.4/215729.8/209037.3/2026
20028019.6/192826.7/187433.5/1820
60024519.6/169625.1/165231.2/1611
200020018.7/139423.3/136328.5/1334
600017019.2/119523.3/117527.9/1155
2000012517.0/88820.1/87823.3/868
6000010016.8/72019.5/71722.3/713
NYP1670 20016702025038.0/385252.0/369066.0/3529
法蘭 Flange
6025040.0/390054.0/376368.0/3626
20022537.5/353550.0/342462.5/3313
60019537.0/307948.0/299058.6/2900
200016035.0/254744.0/248553.0/2422
600013534.6/217742.0/213850.0/2100
2000011235.0/183041.5/181048.0/1790
600008536.0/140535.7/140040.6/1392
 相關新聞
 相關產品
上一篇:NYP高粘度泵

泊頭市草莓视频深夜泵業製造有限公司  手機:13931762407 電話:0317-8285333 傳真:0317-8356252 聯係人:吳經理 
郵箱:chinayoubeng@163.com 地址:河北省泊頭市
網址:www.shhwujin.net Copyright 泊頭市草莓视频深夜泵業製造有限公司 all Rights Reserved .冀ICP備20908311號-1
網站地圖