泊頭市草莓视频深夜泵業有限公司

草莓视频污污污下载找草莓视频深夜泵業谘詢電話:13931762407
熱門點擊:
   
公司動態 news
  KCB草莓视频污污污下载結構特點
KCB草莓视频污污污下载有齒輪,軸,泵體,安全閥,軸端密封(特殊要求,可選用磁力驅動,零泄漏結構)等組成.齒輪經熱處理有較高的硬度和強度,與軸一同安裝在可更換的軸套內運轉.泵內全部零件的潤滑均在泵.....
油泵產品列表  
草莓视频污污污下载
草莓视频下载污污污
草莓视频污版在线观看
保溫瀝青泵
單螺杆泵
雙螺杆泵
三螺杆泵
自吸式離心泵
渣漿泵
高粘度泵
化工泵
船用泵
磁力泵
渣油泵係列
 
 
產品中心 當前位置 > 草莓视频深夜泵業 > 產品展示 > 草莓视频污污污下载 >
 
  • 2CY不鏽鋼泵
  • -詳細參數

2CY不鏽鋼草莓视频污污污下载轉不動的原因:

2CY不鏽鋼草莓视频污污污下载輸送的物料有大的雜質把齒輪卡死;草莓视频污污污下载間隙太小轉動的時候溫度過高,把草莓视频污污污下载的齒輪與齒輪爆死;草莓视频污污污下载的軸與軸承套爆死。
排除辦法:拆開管路,把異物拿出;用工具慢慢盤車(轉動)正反轉動,把泵一端的螺栓輕輕鬆動,根據轉動聯軸器的鬆緊程度調節草莓视频污污污下载的端蓋螺杆的鬆緊度。
不鏽鋼草莓视频污污污下载旋轉不靈活的原因及解決辦法:
1、工作油輸出口被堵塞。清除異物。
2、不鏽鋼泵泵內有汙物。解體以清除異物。
3、裝配有誤。草莓视频污污污下载兩銷孔的加工基準麵並非裝配基準麵,如先將銷子打入,再擰緊螺釘,泵會轉不動。正確的方法是,邊轉動草莓视频污污污下载邊擰緊螺釘,然後配鑽銷孔並打入銷子。
4、草莓视频污污污下载與發動機聯軸器的同軸度差。同軸度應在0.1mm以內。
5、泵內零件未退磁。裝配前所有零件均須退磁。
6、軸向間隙或徑向間隙太小。重新加以調整修配。

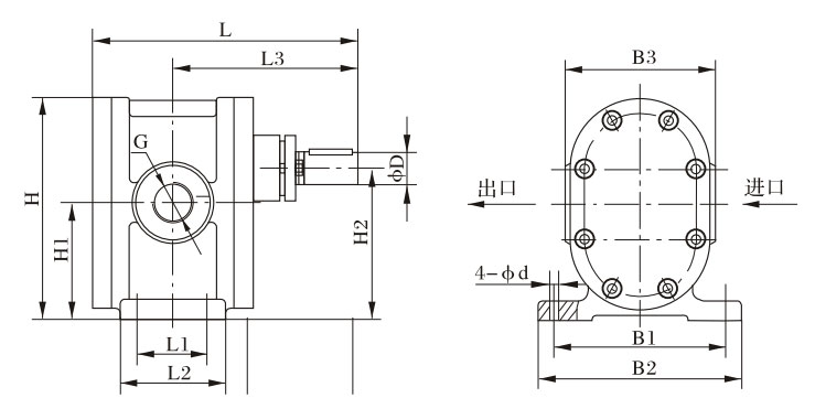
2CY型泵外型、安裝尺寸

2CY型泵外型、安裝尺寸

型號

LL1L2L3B1B2B3HH1H2GφD4-φd
2CY-1.08/2.5193.54575138.51141389513267.587G3/4"1810
2CY-2.1/2.5198.54878142.5124154110164.586112G1"1810
2CY-3/2.5198.54878142.5124154110164.586112G1"1810
2CY-4.2/2.52205888155160190140205107.5140G11/4"2812
2CY-7.5/2.52396598164.5160190140205107.5140G11/2"2812
2CY-12/2.5360106136257190220210256136178G2"3214


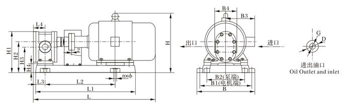
2CY-1.08~2CY-12/12.5整機外型、安裝尺寸重量

2CY-1.08~2CY-12/12.5整機外型、安裝尺寸重量


型號LL1L2L3L4HH1H2H3H4BB1B2B3B4GDn×φ

重量
Weight(kg)

2CY-1.08/2.558248633947.555290190145125.55829325719018095G3/4"φ364×φ1856
2CY-2.1/2.5586493344495630221015713145293257206180110G1"φ504×φ1863.5
2CY-3/2.5605499349495631021015713145333297206190110G1"φ504×φ1877.5
2CY-4.2/2.57205854205465373255190157.550368332242210140G11/4"φ704×φ18121
2CY-7.5/2.57806374486075378260195162.555368332242210140G11/2"φ704×φ18136
2CY-12/2.510208626167810346832124320165416380272255210G2"φ954×φ18173


2CY型草莓视频污污污下载性能參數


型號
流量
Q
轉速
n
r/min
排出壓力
p
Mpa
必需汽
蝕餘量
)r
m
效率
η
%
電動機
m3/h
L/min

功率KW

型號
2CY-1.08/2.5
1.08
18
1420
2.5
9.5
58
2.2
Y100L1-4
2CY-2.1/2.5
2.1
35
1420
2.5
9.5
58
3
Y100L2-4
2CY-3/2.5
3
50
1440
2.5
9.5
59
4
Y112M-4
2CY-4.2/2.5
4.2
70
1440
2.5
9.5
59
5.5
Y132S-4
2CY-7.5/2.5
7.5
125
1440
2.5
9.5
63
7.5
Y132M-4
2CY-12/2.5
12
200
1460
2.5
9.5
63
15
Y160L-4


 相關新聞
 相關產品

泊頭市草莓视频深夜泵業製造有限公司  手機:13931762407 電話:0317-8285333 傳真:0317-8356252 聯係人:吳經理 
郵箱:chinayoubeng@163.com 地址:河北省泊頭市
網址:www.shhwujin.net Copyright 泊頭市草莓视频深夜泵業製造有限公司 all Rights Reserved .冀ICP備20908311號-1
網站地圖