泊頭市草莓视频深夜泵業有限公司

草莓视频污污污下载找草莓视频深夜泵業谘詢電話:13931762407
熱門點擊:
   
公司動態 news
  KCB草莓视频污污污下载結構特點
KCB草莓视频污污污下载有齒輪,軸,泵體,安全閥,軸端密封(特殊要求,可選用磁力驅動,零泄漏結構)等組成.齒輪經熱處理有較高的硬度和強度,與軸一同安裝在可更換的軸套內運轉.泵內全部零件的潤滑均在泵.....
油泵產品列表  
草莓视频污污污下载
草莓视频下载污污污
草莓视频污版在线观看
保溫瀝青泵
單螺杆泵
雙螺杆泵
三螺杆泵
自吸式離心泵
渣漿泵
高粘度泵
化工泵
船用泵
磁力泵
渣油泵係列
 
 
產品中心 當前位置 > 草莓视频深夜泵業 > 產品展示 > 草莓视频污污污下载 >
 
  • KCB係列草莓视频污污污下载
  • -詳細參數

KCB係列草莓视频污污污下载用途
KCB係列草莓视频污污污下载適用於輸送不含固體顆粒和纖維,無腐蝕性,溫度不高於80℃,粘度為5×10-6~1.5×10-3m2/s (5-1500cSt)的潤滑油或性質類似潤滑油的其他液體.
KCB係列草莓视频污污污下载應用範圍
在輸油係統中可用作傳輸,增壓泵;
在燃油係統中可用作輸送,加壓,噴射的燃油泵;
在一切工業領域中,均可作潤滑油泵用.

KCB係列齒輪油泵結構特點
KCB係列齒輪油泵主要有齒輪,軸,泵體,安全閥,軸端密封所組成.齒輪經熱處理有較高的硬度和強度,與軸一同安裝在可更換的軸套內運轉.泵內全部零件的潤滑均在泵工作時利用輸出介質而自動達到.
泵內有設計合理的泄油和回油槽,是齒輪在工作中承受的扭矩力小,因此軸承負荷小,磨損小,泵效率高.
泵設有安全閥作為超載保護,安全閥的全回流壓力為泵額定排除壓力的1.5倍,也可在允許排出壓力範圍內根據實際需要另外調整.但注意本安全閥不能作減壓閥的長期工作,需要時可在管路上另行安裝.從主軸外伸端向泵看,為順時針旋轉.

KCB齒輪油泵是有泵體、前後泵蓋、齒輪、主被動軸、軸承、安全閥和軸端密封等零件組成。
KCB18.3——83.3主傳動齒輪是一對斜齒園柱齒輪,KCB齒輪油泵直動式安全閥。
KCB200—960主傳動齒輪是四個斜齒輪組成的人字形齒輪組,差壓式安全閥。
KCB齒輪油泵全係列KCB齒輪油泵用三爪式彈性聯軸器與電動機組成的油泵機組。
KCB齒輪油泵結構簡單緊湊,使用維護方便,運轉平穩,使用安全可靠。
KCB齒輪油泵適用於輸送介質粘度不大於150mm2/S,KCB齒輪油泵溫度不高於80℃,無腐蝕性,不含硬質顆粒雜質和纖維的重油、柴油、機械油、植物油以及性質類似的其它液體。
KCB齒輪油泵主要用於石油、化工、冶金、礦山、KCB齒輪油泵電站等行業油類介質的轉輸、增壓、燃油噴射等以及大型機械設備中稀油循環中,KCB齒輪油泵在各類機械設備中均可做潤滑泵使用。

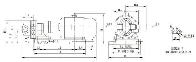
型號LL1L2L3L4BB1B2B3HH1H2φDG4-φd
KCB-18.3217.535801151619215012066136906920G3/4"16
KCB-33.323142.5801151619215012066136906920G3/4"16
KCB-5524650801151619215012066136906920G1"16
KCB-83.327162801151619215012066136906920G11/2"16


KCB-18.3~KCB-83.3外型、安裝尺寸及重量

 KCB-18.3~KCB-83.3外型、安裝尺寸及重量

型號LL1L2L3L4L5HH1H2H3H4BB1B2B3B4AG重量
Weight(kg)
KCB-18.35663912398675862301761301094025922519015519252G3/4"62.15
KCB-33.36184162568682932851861401195027924519018019252G3/4"66.8
KCB-555953912398689.5100.52301761301094025922519015519270G1"64.15
KCB-83.3652416256941021132851861401195027924519018019278G11/2"70.15

KCB型草莓视频污污污下载性能參數


型號
流量 Q轉速 n
r/min
排出壓力
pMpa
必需汽
蝕餘量rm
效率
η
%
電動機
m3/hL/min功率KW
型號
KCB-18.31.118.314001.455441.5Y90L-4
2CY-1.1/1.45
KCB-33.3233.314201.455442.2Y100L1-4
2CY-2/1.45
KCB-553.35514000.337411.5Y90L-4
2CY-3.3/0.33
KCB-83.3583.314200.337432.2Y100L1-4
2CY-5/0.33
KCB-13581359400.335462.2Y112M-6
2CY-8/0.33
KCB-2001220014400.335464Y112M-4
2CY-12/0.33
KCB-300183009600.365425.5Y132M2-6
2CY-18/0.36
KCB-483.329483.314400.365.54211Y160M-4
2CY-29/0.36
KCB-633386339700.2864311Y160L-6
2CY-38/0.28
KCB-9605896014700.286.54318.5Y180M-4
2CY-58/0.28
KCB-1200721200740 0.6 7 4337Y280S-8
KCB-160095160098045Y280S-6
KCB-18001121800740 0.6 7.5 4355Y315S-8
KCB-2500150250098575Y315S-6
KCB-28501702850740 0.6 8 4490Y315L1-8
KCB-38002303800989110Y315L1-6
KCB-41002454100743 0.6 8 44132Y355M1-8
KCB-54003255400989160Y355M1-6
KCB-56003305600744 0.6 8 44160Y355M2-8
KCB-76004607600989200Y355M3-6
KCB-70004207000744 0.6 8 44185Y355L1-8
KCB-96005709600989250Y355L2-6


 相關新聞
 相關產品

泊頭市草莓视频深夜泵業製造有限公司  手機:13931762407 電話:0317-8285333 傳真:0317-8356252 聯係人:吳經理 
郵箱:chinayoubeng@163.com 地址:河北省泊頭市
網址:www.shhwujin.net Copyright 泊頭市草莓视频深夜泵業製造有限公司 all Rights Reserved .冀ICP備20908311號-1
網站地圖